MP261D-DB01采用4mm×3mm×1mm金属罐LGA封装。它与SMT兼容,不会降低灵敏度。
1、应用
- 手机
- 笔记本电脑
- 平板电脑
- 蓝牙耳机
- 耳机
- 可穿戴智能设备
2、特点
- 成本效益
- 四阶∑-Δ调制器
- 数字PDM输出
- 与Sn/Pb和无铅焊料工艺兼容
- 符合RoHS/无卤素标准
- 多种性能模式(睡眠、低功耗、标准性能)
- 灵敏度匹配在+/-1dB以内
3、绝对最大额定值
| 参数 | 最大值 | 单位 |
| 电源电压 | -0.3 ~ 6.5 | V |
| 声音压力水平 | 140 | dB SPL |
| 存储温度 | -40 ~ 100 | ℃ |
4、声学及电气规格
测试条件:23±2℃,55±20%相对湿度,VDD=1.8 V,fCLOCK=2.4 MHz,L/R引脚接地,无负载,除非另有说明。
通用麦克风规格
| Parameter | Symbol | Conditions | Min | Typ | Max | Units | |
| Supply Voltage | VDD | 1.62 | — | 3.6 | V | ||
| Clock Frequency Range | Sleep Mode | 0 | 50 | KHz | |||
| Low-Power Mode | 150 | 900 | KHz | ||||
| Standard Performance Mode | 1.1 | 4 | MHz | ||||
| Sleep Current | ISLEEP | fCLOCK ≤ 50 kHz | — | 1 | uA | ||
| DC Output | Fullscale = ±100 | — | 4 | — | %FS | ||
| Directivity | Omnidirectional | ||||||
| Polarity | Increasing sound | Increasing density of 1’s | |||||
| Data Format | ½ Cycle PDM | ||||||
| Short Circuit Current | ISC | Grounded DATA pin | 1 | — | 10 | mA | |
| Output Load | CLOAD | — | — | 200 | pF | ||
| Fall-asleep Time | fCLOCK ≤ 50 kHz | — | — | 30 | µs | ||
| Wake-up Time | fCLOCK ≥ 151 kHz | — | — | 200 | µs | ||
| Power-up Time | VDD ≥ V(min) | — | 6 | 20 | ms | ||
| Mode-Change Time | — | — | 10 | ms | |||
标准性能模式
测试条件:fCLOCK=2.4MHz,VDD=1.8V,除非另有说明。
| 参数 | 符号 | 条件 | 最小值 | 典型值 | 最大值 | 单位 |
| Supply Current | IDD | fCLOCK=2.4 MHz | – | 670 | – | µA |
| Sensitivity | S | 94 dB SPL @ 1 kHz | -27 | -26 | -25 | dBFS |
| Signal to Noise Ratio | SNR | 20 kHz bandwidth, A-weighted fCLOCK=2.4 MHz | – | 64 | – | dB (A) |
| tal Harmonic Distortion | THD | 94 dB SPL @ 1 kHz, S = Typ | – | 0.1 | – | % |
| Acoustic 0ver load Point | AOP | 10% THD @ 1 kHz, S = Typ | – | 120 | – | dB SPL |
| Power Supply Rejection Ratio | PSRR | 200 mVpp sinewave @ 1 kHz | – | 50 | – | dBV/FS |
| Supply Rejectionower | PSR+N | mVpp square wave @ 217 Hz, A weighted | – | -80 | – | dBFS (A) |
低功耗模式
测试条件:fCLOCK=768kHz,VDD=1.8V,除非另有说明。
| 参数 | 符号 | 条件 | 最小值 | 典型值 | 最大值 | 单位 |
| Supply Current | IDD | fCLOCK=768KHz | – | 290 | – | µ uA |
| Sensitivity | S | 94 dB SPL @ 1 kHz | -26 | -25 | -24 | dBFS |
| Signal to Noise Ratio | SNR | 94 dB SPL @ 1 kHz, A-weighted(20Hz-8KHz) | – | 62 | – | dB(A) |
| Total Harmonic Distortion | THD | 94 dB SPL @ 1 kHz, S = Typ | – | 0.1 | – | % |
| Acoustic Overload Point | AOP | 10% THD @ 1 kHz, S = Typ | – | 126 | – | dB SPL |
| Power Supply Rejection Ratio | PSRR | 200 mVpp sinewave @ 1 kHz | – | 50 | – | dBV/FS |
| Power Supply Rejection | PSR+N | 100 mVpp square wave @ 217 Hz, A-weighted(20Hz-8KHz) | – | -80 | – | dBFS(A) |
5、典型频率响应
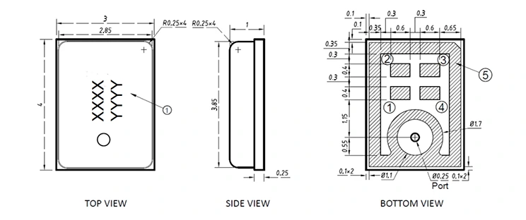
6、外框尺寸和PIN定义
引脚功能描述
| 引脚 | 功能 |
| 1 | VDD |
| 2 | DATA |
| 3 | CLK |
| 4 | L/R |
| 5 | GND |
| 类型 | 描述 | 容错率 |
| 长 | 4.0㎜ | ±0.10 |
| 宽 | 3.0㎜ | ±0.10 |
| 高 | 1.0㎜ | ±0.10 |
| 声学端口(AP) | ∅0.25 | ±0.05 |
7、界面电路
图1. MP261D-DB01电气连接
图2. 立体声配置的电气连接
电源去耦电容器(100nF陶瓷、10uF陶瓷)应尽可能靠近器件的VDD。(通用设计实践)















